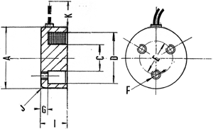
| TIPO | A | C | D | E | F | G | I | J | K |
|---|---|---|---|---|---|---|---|---|---|
| 236 | 36 | 10 | 29 | 28 | M-4 | 4 | 26 | 2 | 140 |
| 246 | 46 | 16 | 36 | 34 | M-5 | 5 | 30 | 2 | 140 |
| 256 | 56 | 24 | 45 | 40 | M-5 | 5 | 30 | 2 | 140 |
| 266 | 66 | 24 | 54 | 40 | M-5 | 5 | 33 | 2 | 140 |
| 296 | 96 | 48 | 82 | 60 | M-6 | 5 | 35 | 2 | 140 |
| TIPO | POTENCIA DE SUJECIÓN | CONSUMO | PESO TOTAL |
|---|---|---|---|
| Kg | W | Kg | |
| 236 | 8 | 4 | 0,155 |
| 246 | 16 | 6 | 0,295 |
| 256 | 31 | 8 | 0,450 |
| 266 | 48 | 10 | 0,670 |
| 296 | 120 | 20 | 1,575 |
Bobinas de serie 24 V = ED % servicio permanente