Petit electroimant de maniobra simple

Modelo 600 Taula de mesures

Model 600

Petits electroimants de maniobra simple amb execució oberta.

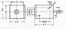
610.000
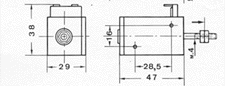
612.000
Model 610.000 i 612.000 610.000 Electroimant per a corrent continu. Maniobra tibant 12 o 24 Volts.
612.000 Electroimant per a corrent altern. Maniobra tibant 24 V. 50 Hz.
611.000 Model 611.000 611.000 Electroimant per a corrent continu. Maniobra polsadora 12 o 24 Volts.
620.000 Model 620.000 620.000 Electroimant per a corrent continu. Maniobra tibant. Tensió d'alimentació segons comanda. Factor de marxa opcional indicat en les corbes de potència.
621.000 Model 621.000 621.000 Electroimant per a corrent continu. Maniobra tibant i polsadora. Alimentació a 12 o 24 Volts.
Bobines construïdes amb fil classe H 180 graus. Conexió mitjançant borns Faston.
610.000
Model 600
620.000
Model 60